SDEC یکی از مهم ترین تامین کنندگان قدرت لودر در چین است. تا به امروز ، موتور اصلی برای لودر از SDEC D9 محصولات در دسترس هستند برای لودر متوسط و سنگین در دسترس هستند برای محصولات سنگین 50 ، 60 و 80 لودر ، به ویژه برای کار در شرایط سخت مانند استحکام بالا ، حرارت بالا ، درجه حرارت پایین و ارتفاع بالا .
مزایای محصول D9
در طول هشت سال از پرتاب آن ، ما را از فروش D9 بیش از حد 400.000. با توجه به آخرین شرایط کاری و برق مورد نیاز داخلی از 50 لودر ، SDEC است به روز رسانی موتور D9 است.
قدرت قوی
کنترل کننده سرعت ویژه ماشین آلات مهندسی ارتقاء سرعت پاسخ 30% ، هوا هوای تکنولوژی ارتقاء قدرت 30% می کند.
قابلیت اطمینان بالا
بار کلی حرارتی و نیز بار حرارتی از قطعات مربوط به کاهش می یابد. قابلیت اطمینان است ، 30 درصد افزایش یافته است. با کیفیت بالا از بخش های کلیدی این است که تضمین شده است. عناصر آب بندی در طراحی برای جلوگیری از نشت نفت در مهر و موم و مهر و موم آب استفاده از مواد برتر است. آب بندی با استفاده از ساختار امن ، قابل اعتماد و تحمل طراحی شده است.
کارایی اقتصادی خوب
مصرف دیزل است که توسط بیش از پنج درصد (در مقایسه با نسل دوم از نوع سوپر شارژر را) کاهش می یابد. مزایای اقتصادی سوخت مصرف شده در مقایسه با محصولات مشابه بهبود یافته است. داخلی جریان اصلی تولید کنندگان ماشین آلات مهندسی به طور کامل تست شده و تایید به روز رسانی است.
شروع سرد خوب
سرد شروع به عملکرد موتور را برای مناطق شمالی سرد شده است به خصوص بهبود یافته است. بدون اضافه کردن هر دستگاه کمکی ، موتور به راحتی می توان در 15oC subzero آغاز شده است. هنگامی که یک وسیله کمکی است اضافه شده است ، موتور را می توان در subzero 45 آغاز شده است.
مزایای استفاده SC11CB محصول
قدرت قوی
جابجایی 10.5L است ، و حداکثر گشتاور ضریب ذخیره می تواند تا رسیدن به 1.5 ، داشتن اموال استثنایی پویا و پاسخ خوب و از آن آسان است به کار گیرند.
سازگاری قوی ، برتر دمای پایین شروع تا عملکرد
بدون قدرت موتور این است که اگر در یک فلات با ارتفاع 4500 متر و بالاتر از دست داده است.
ذخیره سازی کافی از قطعات یدکی ، تعمیر و نگهداری آسان و ساده
قطعات یدکی به راحتی در دسترس در سراسر کشور ، لوازم جانبی تعمیر با قیمت مناسب و لوازم و اتصالات اتصال آسان برای خرید.
مدل برای موتور لودر
| مدلماشین | مدل موتور | قدرت و سرعت (kW/min) | حداکثر گشتاور / سرعت (N.m/r/min) | انتشار |
| ZL30 | SC5D125G2B1 | 92/2200 | 440/1400~1500 | EURO II |
| ZL40 | SC8D170G2B1 | 125/2200 | 650/1300~1500 | EURO II |
| ZL50 | SC11CB220G2B1 | 162/2200 | 843/1400 | EURO II |
| SC9D210.1G2B1 | 155/2000 | 880/1300~1500 | EURO II | |
| SC9D220G2B1 | 162/2200 | 920/1300~1500 | EURO II | |
| SC9D210.1G2 | 155/2000 | 880/1300~1500 | EURO II | |
| SC9D220G2 | 162/2200 | 920/1300~1500 | EURO II | |
| SC8DK220G3 | 162/2200 | 850/1300~1500 | TierⅢ/StageⅢA | |
| SC11CB220.1G2B1 | 162/2200 | 930/1300~1500 | EURO II | |
| ZL60 | SC11CB240.1G2B1 | 174.5/2200 | 912~950/1400 | EURO II |
| ZL80 | SC11CB305G2 | 224/2200 | 1192/1400 | EURO II |
خراش دادن ماشین -- لودر| مدلماشین | مدل موتور | قدرت و سرعت (kW/min) | حداکثر گشتاور / سرعت (N.m/r/min) | انتشار |
| TY130 | SC8D143G2B1 | 105/1900 | 690/1300 | EURO II |
| TY140 | SC8D156.2G2B1 | 115/1800 | 765/1260 | EURO II |
| TY150 | SC8D170.2G2B1 | 125/1800 | 750/1400 | EURO II |
| TY160 | SC8D180.2G2B1 | 132/2000 | 810/1450 | EURO II |
| SC11CB184G2B1 | 135/1850 | 843/1300 | EURO II | |
| TY165 | SC11CB184G2B1 | 135/1850 | 843/1300 | EURO II |
| TY180 | SC11CB200G2B1 | 148.5/1850 | 870/1200 | EURO II |
| TY220 | SC11CB260.1G2 | 190/2000 | 1090/1400 | EURO II |
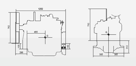
ابعاد موتور نمونه SC11CB

