موتور سری H

موتور سری H

محدوده قدرت : 68ps~250ps
موتور یک موتور H سری SDEC مجموعه تولید جدید صرفه جویی انرژی و سازگار با محیط زیست است. با استفاده از فلسفه طراحی پیشرفته از اروپا و آمریکا، همکاری با شرکت AVL طراحی شده و ساخته شده طبق فرایند طراحی SAIC GPDP. محصولات ما شامل مجموعه ای از فن آوری های پیشرفته از جمله چهار شیر ، سوخت اتمیزه، طراحی مدولار، شاتون شکستن وصل و غیره، ساختار جمع و جور، سر و صدای کم، قدرت قوی، مصرف سوخت پایین، و همچنین قابلیت اطمینان خوب است. این قدرت ایده آل برای مجموعه تولید است.

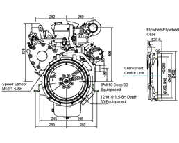
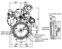
مدل SC4H90D2 SC4H140D2 SC4H170D2 SC7H180D2 SC7H210D2 SC7H230D2 SC7H250D2
نوع فرمادار الکترونیک, لین داخل, خنک با آب, 4 ضربه, تزریق مستقیم, توربو شارژ, مولر داخلی هوایی
تعداد سلیندر *قطر(mm) 4×105 6×105
خنک کننده بوش سلیندر نوع خشک
حرکت پیستون (mm) 124
حجم زهکش(L) 4.3 6.5
نسبت فشرده سازی 15.9
نرخ قابل تنظیم (%) 0-5
سرعت چرخش(r/min) 1500
قدرت امتیاز/ قدرت معین
(kW)
64 92 115 120 140 155 168
قدرت در آماده(kW) 70 101 126 132 154 170 184
مصرف سوخت حداقل
(g/kW·h)
≤199
FSN ≤1.5
گنجایش روغن(L) 13 17.5
مصرف روغن لیز کننده
(g/kW·h)
≤0.3
پخش دستور(از انتهای آزاد) 1-3-4-2 1-5-3-6-2-4
جهت چرخش میللنگ
(رو به انتهای فلایویل )
مخالف ساعت
استانداردهای انتشار/ مقرارت Non-road G II
سرو صدا dB(A) 96
وزن خالص(kg) 450kg 580kg
ابعاد موتور با بسته بسته بندی(mm) 1292*1092*1429mm 1592*1092*1629mm
عملکرد فلات(M) 2000
فلایویل / محفظه فلایویل SAE11.5#/SAE3#

فن آوری
1. طراحی مدولار
پمپ آب، پمپ روغن، و کولر روغن ها در بلوک موتور همکاری می شود. لوله ورودی و سر سیلندر با یکدیگر وصل شده است. عملکرد: طراحی مدولار، با استفاده از موتور سری H ، مقدار قطعات موتور را کاهش می دهد، قابلیت اطمینان را بهبود می کند و مقاومت در برابر مصرف کاهش می کند. مزایا: ساختار فشرده، قابلیت اطمینان بالا.

2.طراحی انحصاری برای دنده تقویت در بلوک موتور
عملکرد: استحکام و سفتی بالا
مزایا: لرزش و سر و صدا کم

3.قطعات و لوازم یدکی استاندارد
عملکرد: سازگاری و استحکام بهتر
مزیت: تعمیر و نگهداری آسان

4. فرماندار الکترونیکی
عملکرد: این موتور سری H است توسط فرماندار الکترونیکی با دقت بالا کنترل شد..
مزایا: نرخ ثابت و دقیق و بهتر.

5. سر سیلندر انتگرال ، طراحی ضریب جریان بالا و راه هوایی ادی فعلی و پایین
عملکرد: سر سیلندر تا حد زیادی بهبود یافته است و این طرح بهینه سازی از راه هوایی با این مطالبات است از جمله قدرت بالا، انتشار پایین، مصرف سوخت پایین و دیگر.
مزایا: آوردن لرزش پایین ، سر و صدای کمتر و مصرف سوخت کمتر.

پارامترهای فنی از موتور سری H
محدوده قدرت: 50-168 KW
سرعت چرخش: 1500 rpm

6. شاتون شکستن وصل
عملکرد: با شاتون کلاه وصل مطابق یک به یک باعث موقعیت دقیقتر و کیفیت مونتاژ موتور بهتر می شود.
مزیت: تعمیر و نگهداری آسان

7. بوش سیلندر نوع خشک
عملکرد: این بوش سیلندر نوع خشک، تضمین عملکرد بهتر است.
مزایا: با تصویب این بوش سیلندر، موتور سری H ما آسان است به حفظ، بهبود خواص مقاومت به سایش آن است.

8. گیربکس عقب
عملکرد: ثبات تر دنده انتقال ثابتت ر
مزیت: سر و صدای کمتر

9.چهارشیر در هر سیلندر
عملکرد: این ساختار هوا ورودی و همچنین قدرت و گشتاور این موتور سری H را افزایش می دهد.
مزایا: قدرت از این محصول افزایش یافته است. انتشار و مصرف سوخت کاهش می یابد.

10. سیستم تزریق سوخت P7100
جدیدترین سری P-انژکتور سوخت طرح موقعیت های عمودی و متوسط تصویب شد.
عملکرد: با فشار تزریق بالا، این طرح تضمین کیفیت سوخت اتمیزه و همچنین بهتر احتراق است.
مزیت: مصرف سوخت کمتر و همچنین انتشار کمتر.

ابعاد کلی موتور سری H
صفحه اصلی
    1. SC8D موتور دیزل با همکاریهای شرکت AVL بر اساس ویژکیهای کاربرد ، این موتور به عنوان جدیدترین و پیشرفته ترین موتور ...
    1. SC9D موتور دیزلاجزای اصلی این مدل بر اساس تکنولوژی SC9D موتور دیزل طراحی شده است.
      این مدل دارای قدرت قوی و مزایای ...